20/04/2026
12:45 AM

Ver lágrimas con un microscopio revela increíbles hechos

Según los estudios de expertos, hay tres tipos de lágrimas: basales, reflex y psíquicas.

Washington, Estados Unidos.

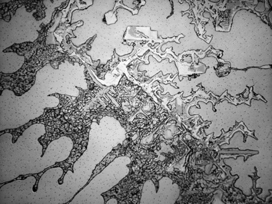
Un día, Rose-Lynn Fisher se preguntó si sus lágrimas de dolor se verían diferente que sus lágrimas de alegría, así que empezó a estudiarlas con con un microscopio. Así lo publicó el sitio Opsocl.com este lunes.

Estudió 100 lágrimas diferentes y encontró que las lágrimas basales (las que nuestro cuerpo produce para lubricar los ojos) son drásticamente diferentes que las lágrimas que se producen cuando estamos cortando una cebolla. Las lágrimas que se producen a partir de la risa ni siquiera están cerca de las lágrimas de dolor.

Como una gota de agua del océano cada lágrima lleva un microcosmos completamente diferente. Su proyecto se llama La topografía de las Lágrimas.

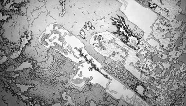
Joseph Stromberg del Colegio de las Artes y las Ciencias del Smithsonian explicó que hay tres tipos de lágrimas: basales, reflex y psíquica (desencadenados por emociones). Todas las lágrimas contienen sustancias orgánicas, incluidos aceites, anticuerpos, y enzimas que y se suspenden en agua salada.

Los diferentes tipos de lágrimas tienen moléculas distintas. Las lágrimas emocionales tienen hormonas a base de proteínas, incluyendo la leucina encefalina neurotransmisor, que es un analgésico natural que se libera cuando estamos estresados​​. Además, las lágrimas vistas bajo el microscopio cristalizan la sal y pueden dar lugar a diferentes formas y formas. Así que hasta lágrimas psíquicas con la misma composición química pueden ser muy diferentes.

Como los copos de nieve y las huellas dactilares, ninguna lágrima es igual a otra.